Renson & Cedrey : Cuve de stockage & solutions pour professionnels
Compte utilisateur
Icône de recherche
/
/
/
/
/
PPE IMM TRI FONT VORT RENSON
POMPE DE RELEVAGE TRI FONTE
Code 109450
PPE IMM TRI FONT VORT RENSON PPE IMM TRI FONT VORT RENSON PPE IMM TRI FONT VORT RENSON Vue 360°
PPE IMM TRI FONT VORT RENSON PPE IMM TRI FONT VORT RENSON PPE IMM TRI FONT VORT RENSON
Fuel et AdBlue Fuel et AdBlue Fuel et AdBlue Fuel et AdBlue
Image avantage produit

A quoi ça sert ?
Relever des eaux chargées dans des applications agricoles (lisier de bovins, eaux vertes / brunes, …)

Application : Elevage (élevages bovins)

Avantages :
Image avantage produit
Supporte une eau chargée de particules solides
Image avantage produit
Fonctionnement optimal : trepied déjà monté qui facilite l'aspiration
Flèche pour valeur1
Flèche pour valeur2

POMPE DE RELEVAGE TRI FONTE

ROUE VORTEX 2,2KW DN65
Réf. 109450

Connectez-vous pour connaître votre prix

Afficher le mot de passe
Mot de passe oublié ?
Vous n'avez pas de compte ?
Créez un compte distributeur

Accessoires conseillés

Sélectionnez un ou plusieurs accessoires pour les ajouter à votre panier
COLLIER TOURILLW1ACIER D98-103

483159

COLLIER DE SERRAGE TOURILLON W

1 ACIER ZINGUE DIAMETRE 98-103

5M TUY SPIRALEX D 90

107107

TUYAU SPIRALE - COUPE DE 5M

DIAMETRE INTERIEUR - 90 MM

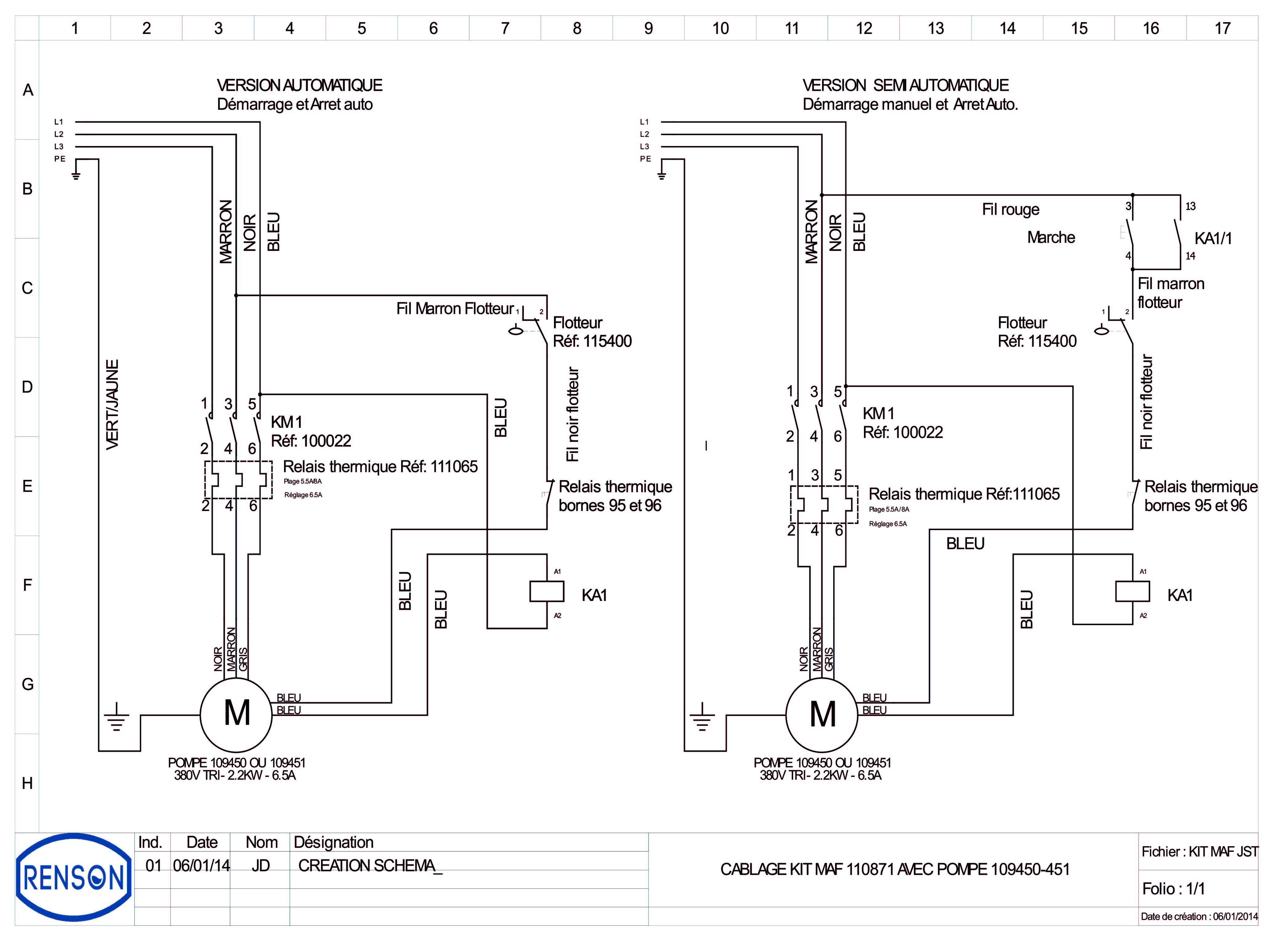
KIT MARCH ARR AUTO 5,5-8A

110871

KIT MARCHE ARRET AUTO 5,5-8A

AVEC FLOTTEUR 20M

4M CORDE PPE RELEVAGE

818520

4 METRES DE CORDE

AVEC ECROU DE SERRAGE

Connectez-vous pour ajouter au panier

Tableau technique

Ampérage :
6,50 A
Puissance :
2,20 kW
Tour/min :
2 900
Tension :
380 V
DNR :
65
Modèle :
JST22 R-SV
Granulométrie maximale :
50 mm
Type de liquide :
Eaux vertes / brunes
Intensité d'utilisation :
intensif
Application :
Elevage / Industrie
Hauteur :
518 mm
Largeur :
270 mm
Longueur :
346 mm
Poids :
45 kg
Débit max :
900 l/min
HMT max :
15 mètres

Documents relatifs au produit

Icône document
Notice
Format PDF | 7.25 Mb
Icône document
Courbe
Format JPG | 68.76 Kb
Icône document
Schéma de câblage
Format JPG | 1.86 Mb
Icône document
Plan d'encombrement
Format JPG | 1.04 Mb

Avantages produits

Image avantage produit

A quoi ça sert ?
Relever des eaux chargées dans des applications agricoles (lisier de bovins, eaux vertes / brunes, …)

Application : Elevage (élevages bovins)

Avantages :
Image avantage produit
Supporte une eau chargée de particules solides
Image avantage produit
Fonctionnement optimal : trepied déjà monté qui facilite l'aspiration
Image avantage produit
Moteur protégé

Utilisation :
> Eaux chargées de particules solides
> Usage intensif
> Doit travailler en immersion complète dans le liquide pompé (qui assure de l'extérieur le refroidissement du moteur)
> Utilisation en élevage bovin
> Densité de liquide maximum : 7% de matières sèches
> Sphère de passage : 50 mm
> Tolérance en particule : 50 mm
> Durée de vie des roulements : 50 000 heures
> DN Aspiration : 80 mm
> DN Refoulement : 2" 1/2
Image avantage produit
DN65
> Hauteur de refoulement maximale : 15 mètres
> Profondeur d'immersion max : 10 mètres

Description technique


Caractéristiques techniques :
Construction
Corps de pompe, carcasse moteur et turbine vortex en fonte FT20D
Arbre en acier inoxydable
Paliers à roulements 6305 en bas et 6204 en haut, lubrification par bain d'huile
Garniture mécanique simple : grains en carbure de silicium, porte grains en acier inoxydable, lubrification par capacité d'huile interne
DN Aspiration : 80 mm
DN Refoulement : 65 mm
Raccordement taraudé : 2" 1/2F
Epaisseur de la peinture : 200 microns
Livré avec câble d'alimentation

Moteur
Triphasé pour service continu, bobinage 380V - 2 pôles 50 Hz - 3 CV - 2,2 kW
Submersible
Asynchrone
Vitesse de rotation : 2 900 tours / minute
Sondes thermiques
Isolation classe F

Plage de fonctionnement
Pour HMT 15 mètres = débit de 0 m3/h ; 0 l/min
Pour HMT 3 mètres = débit de 54 m3/h ; 900 l/min
Consulter la courbe pour plus d'informations

Livré sans raccord
Nous vous conseillons de prévoir une protection thermique et/ou manque d’eau pour cette pompe

ACCESSOIRES CONSEILLES :
483159 COLLIER DE SERRAGE TOURILLON W1 ACIER ZINGUE Ø 98 - 103 x 4
107107 5 METRES DE TUYAU SPIRALEX DIAMETRE 90MM
110274 COUDE 90° COMPRESSION PP N°16925 MALE 3’’ Ø 90
100262 1/2 RACCORD FILETÉ M ALU DN80 3’’
100229 1/2 RACCORD CANNELÉ VERROU ALU DN80 x 2
100256 1/2 RACCORD FEMELLE ALU DN80 3''
101047 BOBINE GALVA N°530 MM 3’’ LONGUEUR 300mm
110112 MAMELON REDUIT GALVA N°245 MM 3'' x 2''1/2
101431 MANCHON GALVA N°270 FF 2''1/2
817194 CLAPET BOULE TARAUDÉ 3'' FONTE JOINT NBR PRESSION MAX 10 BAR
110871 KIT DE COMMANDE MARCHE/ARRÊT POUR POMPES DE 5,5 À 8A
817018 KIT ACCESSOIRES

Vues éclatées

01 En stock
164786
CABLE ALIMENTATION 10M POUR POMPE 109450-109451
02 En stock
168503
ECROU LAITON DU PRESSE-ETOUPE POUR POMPE 109450-51
03 En stock
164787
BAGUE LAITON DU PRESSE-ETOUPE POUR POMPE 109450-51
09 En stock
164788
JOINT 135x3,1 POUR POMPE 109450-51
12 En stock
168663
ROULEMENT 204 POUR POMPE 109450-51
14 En stock
164999
BAGUE DE RETENUE POUR POMPE 109450-51
15 En stock
168664
ROULEMENT 305 POUR POMPE 109450-51
22 En rupture
812038
STATOR AVEC CARCASSE MOTEUR POUR POMPE DE RELEVAGE 2,2KW
24 En stock
815519
PALIER POUR ROTOR POUR POMPE 109450
26 En stock
164789
JOINT 160x3,1 POUR POMPE 109450-51
27 En stock
323013
GARNITURE MECANIQUE DE PPE 109450-109451
28 En stock
168000
JOINT V-RING DE TURBINE POUR POMPE 109450-51
29 En stock
168784
CORPS DE POMPE POUR POMPE 109450-51
31 En rupture
164502
TURBINE VORTEX POUR POMPE 109450
35 Ce produit n'est plus disponible
168785
PIED POUR POMPE 109450-51
36 En rupture
164790
VIS DE PURGE DU MOTEUR POUR POMPE 109450-51
37 En stock
164791
JOINT 8x1,9 POUR POMPE 109450-51
Entreprise Française
Entreprise Française
Plus de 100 ans d'expérience
Plus de 100 ans d'expérience
Spécialiste multi-fluides
Spécialiste multi-fluides
Un conseiller dédié
Un conseiller dédié
Livraison rapide
Livraison rapide