FICHE ARTICLE - CODE 817145
MENU
NOS PRODUITS NOS GAMMES NOS UNIVERS MON COMPTE PANIER S.A.V GUIDE DE CHOIX
NETTOYEUR
GUIDE DE CHOIX
CEDREY

EN DIRECT
97,9%
TAUX DE PRODUIT A
EN STOCK
Photo non contractuelle

PPE VERT. DILACERATRICE INOX

PDF DN120 3M PUIS. MAX 40KW
TABLEAU TECHNIQUE
Type de roue :Hacheuse Taux de matière sèche max. :9 %
Diamètre :DN 120 Modèle :LVT
Débit :90 m3/h = HMT 23
360 m3/h = HMT 9
Dimension A :3 mm
TABLEAU TECHNIQUE
Type de roue :Hacheuse
Taux de matière sèche max. :9 %
Diamètre :DN 120
Modèle :LVT
Débit :90 m3/h = HMT 23
360 m3/h = HMT 9
Dimension A :3 mm

EN SAVOIR DAVANTAGE

Description technique :


A quoi ça sert ?
Pompe dilacératrice verticale en acier inoxydable, pour du transfert de lisier chargé, avec vanne de recylcage, sur prise de force tracteur.

Avantages :
- Forte puissance : prise de force tracteur
- Pas besoin de courant
- Facilement transportable pour aller de fosse en fosse (option chariot)
- Robuste : acier inoxydable
- Recyclage du lisier dans la fosse grâce à la vanne orientable
- Simple à installer

Informations complémentaires :


Caractéristiques techniques :
- Structure de la pompe en acier inoxydable AISI304
- Corps de la pompe en fonte
- Transmission à bain d'huile avec garniture mécanique en Widia
- Pompe centrifuge à roue ouverte avec système de hachage

Performances :
- Vitesse de rotation de la prise de force : 540 tours / minute
- Vitesse de rotation de la pompe : 1 600 tours / minute

Débit 90 m3/h = HMT 23
Débit 360 m3/h = HMT 9

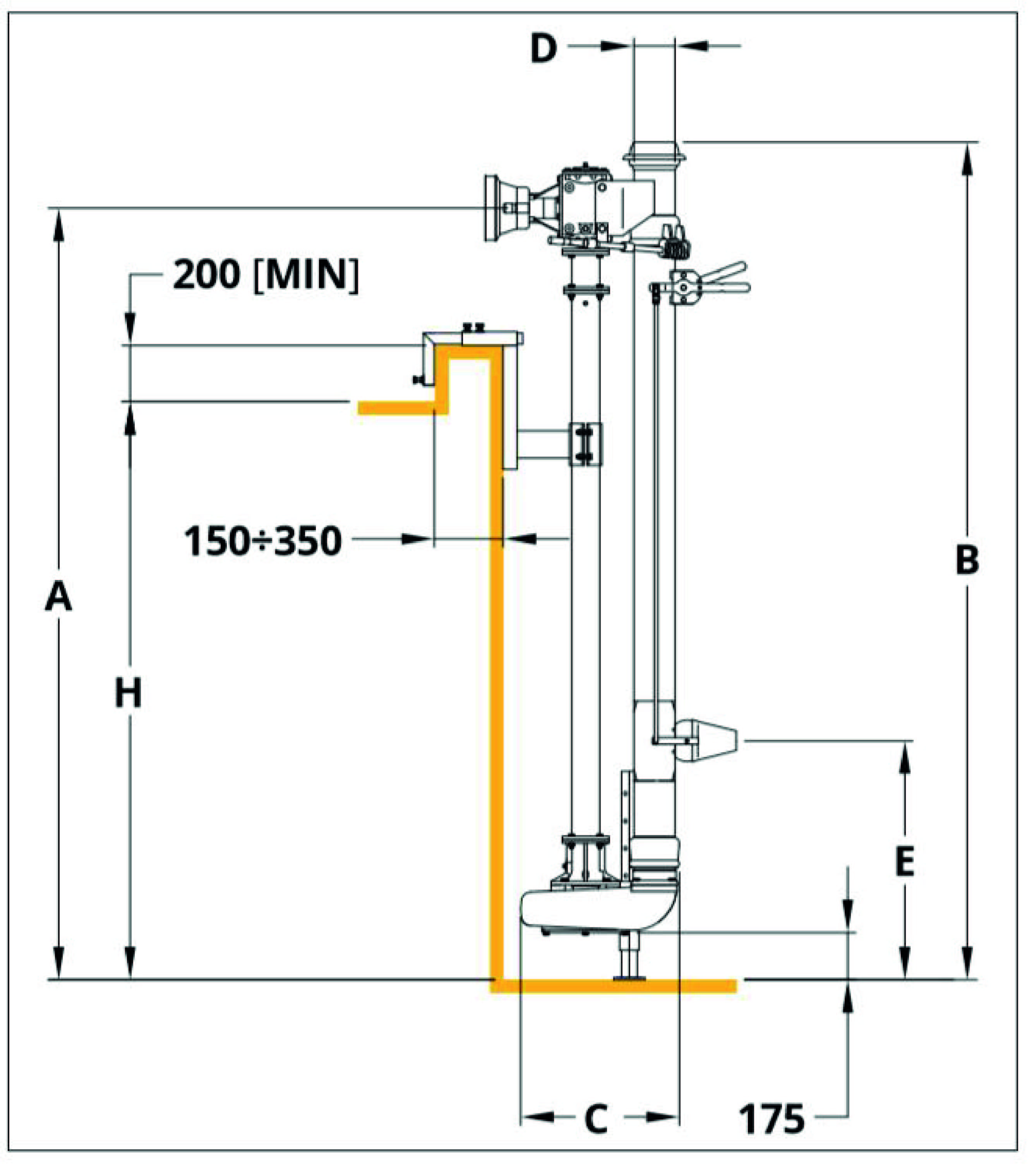
Côtes d'implantation :
A (axe du cardan par rapport au fond de la fosse) = 3m37
B (axe sortie du tuyau) = 3m61
C (diamètre hors tout de la pompe) = 52 cm
D (diamètre du refoulement) = 120 mm
E (hauteur de la vanne de recyclage par rapport au fond de la fosse) = 1m01
H (hauteur de fosse) = 2m30 à 2m80
L (distance entre l'axe du cardan et l'accroche tracteur) = 1m70

DOCUMENTS RELATIFS AU PRODUIT
Ici, retrouvez l'ensemble des documents relatifs à votre produit.
1 - Je choisis le document souhaité en cliquant sur ▼
2 - Je clique sur le bouton "Télécharger" pour obtenir le document
Télécharger