FICHE ARTICLE - CODE 817157
MENU
NOS PRODUITS NOS GAMMES NOS UNIVERS MON COMPTE PANIER S.A.V GUIDE DE CHOIX
NETTOYEUR
GUIDE DE CHOIX
CEDREY

EN DIRECT
97,9%
TAUX DE PRODUIT A
EN STOCK
Photo non contractuelle

PPE DILACERATRICE V INOX ELEC

VANNE RECYCL. DN150 L3M 18,5KW
TABLEAU TECHNIQUE
Type de roue :Hacheuse Taux de matière sèche max. :9 %
Puissance :18 WDiamètre :DN 150
Modèle :LVE Débit :36 m3/h = HMT 19
306 m3/h = HMT 10
Dimension A :3 mm
TABLEAU TECHNIQUE
Type de roue :Hacheuse
Taux de matière sèche max. :9 %
Puissance :18 W
Diamètre :DN 150
Modèle :LVE
Débit :36 m3/h = HMT 19
306 m3/h = HMT 10
Dimension A :3 mm

EN SAVOIR DAVANTAGE

Description technique :


A quoi ça sert ?
Pompe dilacératrice verticale en acier inoxydable, pour du transfert de lisier chargé, avec vanne de recylcage, avec motorisation électrique.

Avantages :
- Pratique : montage fixe
- Robuste : acier inoxydable
- Simple à installer
- Recyclage du lisier dans la fosse grâce à la vanne orientable

Informations complémentaires :


Caractéristiques techniques :
- Structure de la pompe en acier inoxydable AISI304
- Corps de la pompe en fonte
- Transmission à bain d'huile avec garniture mécanique en Widia
- Pompe centrifuge à roue ouverte avec système de hachage

Performances :
- Vitesse de rotation du moteur : 1 450 tours / minute
- Vitesse de rotation de la pompe : 1 450 tours / minute

Débit 36 m3/h = HMT 19
Débit 306 m3/h = HMT 10

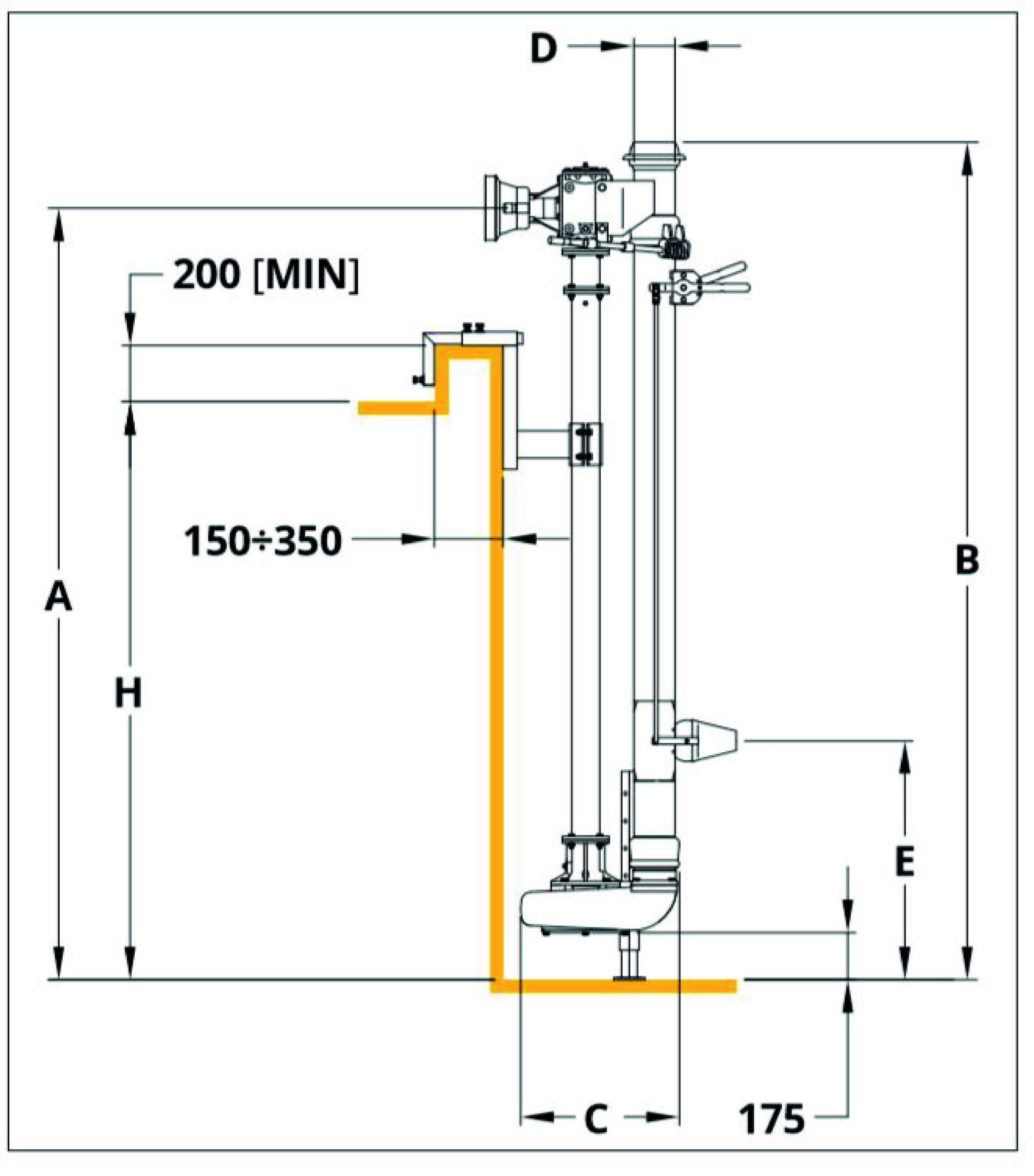
Côtes d'implantation :
A (axe du cardan par rapport au fond de la fosse) = 4m20
B (axe sortie du tuyau) = 4m78
C (diamètre hors tout de la pompe) = 52 cm
D (diamètre du refoulement) = 120 mm
E (hauteur de la vanne de recyclage par rapport au fond de la fosse) = 1m31
H (hauteur de fosse) = 2m30 à 2m80

DOCUMENTS RELATIFS AU PRODUIT
Ici, retrouvez l'ensemble des documents relatifs à votre produit.
1 - Je choisis le document souhaité en cliquant sur ▼
2 - Je clique sur le bouton "Télécharger" pour obtenir le document
Télécharger